介绍
NS-QA-03A 高性能石英加速度计具有高可靠性,主要用于航空航天领域的惯性测量和测试系统。它能够进行静态测试和动态测试,是一种标准的振动传感器。
特点
采用高质量石英晶体,实现高精度加速度测量,具有极高的可靠性和稳定性。
特殊的柔性结构使其能够适应各种环境条件下的高加速度应用,例如高温、高压和高振动环境。
应用
高性能石英挠性加速度计除了广泛应用于航空航天和军事领域外,还广泛应用于汽车、医疗和科研领域。在科学研究领域,它们可用于研究地震、地壳运动、宇宙学和微重力环境。
技术规格
| 序号 | 参数 | NS-QA-03A1 | NS-QA-03A2 | NS-QA-03A3 | 单位 |
| 1 | 量程 | ±50 | ±50 | ±50 | g |
| 2 | 阈值/分辨率 | 5 | 5 | 5 | μg |
| 3 | 零偏 | ≤ (±3) | ≤ (±5) | ≤ (±10) | mg |
| 4 | 标度因数 | 1.3±0.2 | 1.3±0.2 | 1.3±0.2 | mA/g |
| 5 | 二阶非线性 | ≤ (±20) | ≤ (±30) | ≤ (±30) | μg /g2 |
| 6 | 零偏重复性 | ≤10 | ≤30 | ≤50 | μg |
| 7 | 标度因数重复性 | ≤15 | ≤30 | ≤50 | ppm |
| 8 | 二阶非线性重复性 | ≤ (±10) | ≤ (±20) | ≤ (±30) | μg /g2 |
| 9 | 零偏温度系数 | ≤ (±10) | ≤ (±30) | ≤ (±50) | μg/℃ |
| 10 | 标度因数温度系数 | ≤ (±20) | ≤ (±30) | ≤ (±50) | ppm /℃ |
| 11 | 噪声 | ≤5 | ≤8.4 | ≤8.4 | mv |
| 12 | 固有频率 | 400~800 | 400~800 | 400~800 | Hz |
| 13 | 带宽 | 800~2500 | 800~2500 | 800~2500 | Hz |
| 14 | 振动 | 6g (20-2000Hz) | |||
| 15 | 冲击 | 100g, 5ms, 1/2sin | |||
| 16 | 工作温度 | -40~+80 | -40~+80 | -40~+80 | ℃ |
| 17 | 储存温度 | -60~120 | -60~120 | -60~120 | ℃ |
| 18 | 供电电压 | ±12~±15 | ±12~±15 | ±12~±15 | V |
| 19 | 电流 | ≤(±20) | ≤(±20) | ≤(±20) | mA |
| 20 | 温度传感器 | 有和没有两种类型 | |||
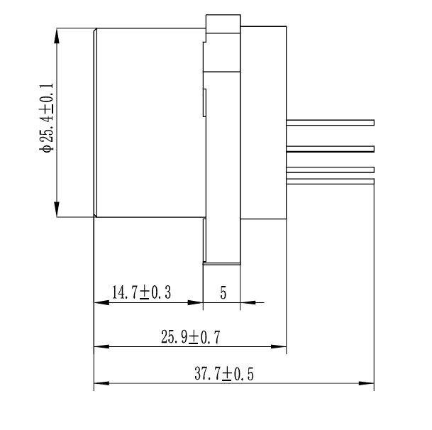
| 21 | 尺寸 | Ф25.4X37.7 | Ф25.4X37.7 | Ф25.4X37.7 | mm |
| 22 | 重量 | ≤80 | ≤80 | ≤80 | g |
尺寸

电气接口
伺服电路电气接口关系见表1。引出端排列及说明应符合下图的规定。引出端排列为仰视图(管脚向上)。

表1伺服电路电气接口关系(AD590)
| 引出端
序号 |
符号 | 引出端功能 | 引出端
序号 |
符号 | 引出端功能 |
| 1 | ML | 信号输出端 | 6 | Tse | 自检端 |
| 2 | MH | 电流测试端 | 7 | C ext1 | 差动电容检测端1 |
| 3 | V– | 负电源端 | 8 | C ext2 | 差动电容检测端2 |
| 4 | V+ | 正电源端 | 9 | VO- | AD590低端 |
| 5 | GND | 地 | 10 | VO+ | 稳压器正输出端
(AD590高端) |
陕ICP备2024036132号-1 友情链接:陕西艾瑞科惯性技术有限公司
陕公网安备61019002002882号 Copyright © 西安北斗测控技术有限公司