介绍
NS-QA-03D系列石英挠性加速度计是一种耐高温振动加速度计,该产品具有优异的重复性、启动性能、耐高温振动和高可靠性,可用于静态试验或动态试验,也是标准的振动传感器。
该产品采用独特的耐高温抗振动设计、封装技术和专用电路,产品的输出电流与被测加速度成正比,提供静态和动态加速度测量,用户可通过计算选择合适的采样电阻,实现高精度输出,并可根据用户需要内置温度传感器,进行偏置和比例因数补偿;降低环境温度的影响。我们可以替代QA650, T185, T160, JAE系列产品,但我们采用双扭矩结构,不同于其他公司的产品,可以使加速度计的偏置和比例系数更稳定,并具有自主知识产权。这款产品从2010年开始推出,至今已经交付了几千台。经过多年的应用,已成为一种成熟的产品,尤其适用于石油钻井的随钻测量。
应用
桥梁、水坝、油井、煤矿等的倾角测试。
高速铁路控制、船舶稳定性控制等。
技术参数
| 参数 | NS-QA-03D01 | NS-QA-03D02 | NS-QA-03D03 | 
| 量程 | ±30g | ±30g | ±30g | 
| 零偏 K0/K1 | <10mg | <15mg | <15mg | 
| 零偏月综合重复性 σ k0 (1σ, 1个月) | <50µg | <200µg | <200µg | 
| 温度系数 | <50µg/℃ | <100µg/℃ | <100µg/℃ | 
| 标度因数K1 | 1.1~1.3 mA/g | 1.1~1.3 mA/g | 1.1~1.3mA/g | 
| 标度因数月度综合重复性 σ k1/k1(1σ , 1month) | <80 ppm | <150 ppm | <150 ppm | 
| 零偏温度系数 (平均总温度) | <100ppm | <200ppm | <200ppm | 
| 安装误差 | <1500µrad | <1500µrad | <1500µrad | 
| 振动校正误差 | <30µg/g 2rms(50-500Hz) | <100µg/g 2rms(50-500Hz) | <100µg/g2rms (50-500Hz) | 
| 噪声 | <3000µg-rms (0-10000Hz) | <3000µg-rms (0-10000Hz) | <3000µg-rms (0-10000Hz) | 
| 工作温度 | -55~96℃ | -55~155℃ | -55~180℃ | 
| 冲击 | 500g 0.5ms | 1000g 0.5ms | 1000g 0.5ms | 
| 振动 | 25g@30-500Hz | 25g@30-500Hz | 25g@30-500Hz | 
| 分辨率 | <10µg | <10µg | <10µg | 
| 带宽 | >300Hz | >300Hz | >300Hz | 
| 电流 | <20mA | <20mA | <20mA | 
| 功率@ ±15VDC | <480mW | <480mW | <480mW | 
| 电源电压 | ±13 to ±18V | ± 13 to ± 18V | ±13 to ± 18V | 
| 重量 | <55g | <55g | <55g | 
| 直径 | Ф25mm | Ф25mm | Ф25mm | 
| 高度 | <21.5mm | <21.5mm | <21.5mm | 
| 外壳材料 | 300 系列不锈钢 | 300 系列不锈钢 | 300 系列不锈钢 | 
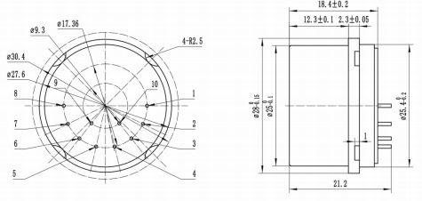
尺寸

电气接口
伺服电路电气接口关系见表1。引出端排列及说明应符合下图的规定。引出端排列为仰视图(管脚向上)。

表1伺服电路电气接口关系(AD590)
| 引出端 序号 | 符号 | 引出端功能 | 引出端 序号 | 符号 | 引出端功能 | 
| 1 | ML | 信号输出端 | 6 | Tse | 自检端 | 
| 2 | MH | 电流测试端 | 7 | C ext1 | 差动电容检测端1 | 
| 3 | V– | 负电源端 | 8 | C ext2 | 差动电容检测端2 | 
| 4 | V+ | 正电源端 | 9 | VO- | AD590低端 | 
| 5 | GND | 地 | 10 | VO+ | 稳压器正输出端 (AD590高端) | 
陕ICP备2024036132号-1     友情链接:陕西艾瑞科惯性技术有限公司
 陕公网安备61019002002882号 Copyright © 西安北斗测控技术有限公司